ABPAY钱包官方网站

logo
1_07
close

人力资源

集团公司辅导年薪布告
日期:2017-03-19 作者: 本站编纂 点击次数:
分享到:

凭据《ABPAY钱包官方网站厂务公开执行法子》(鄂盐局党【2016】5号)、《省国资委关于省出资企业掌管人2015年度基今年薪和绩效年薪结算的批复》(鄂国资分配【2016】191号)及《省国资委关于湖北能源集团等6户省出资企业掌管人2015年任期激励收入结算的批复》(鄂国资分配【2016】207号)文件要求,现将ABPAY钱包官方网站辅导班子成员2015年度批复年薪情况布告如下:

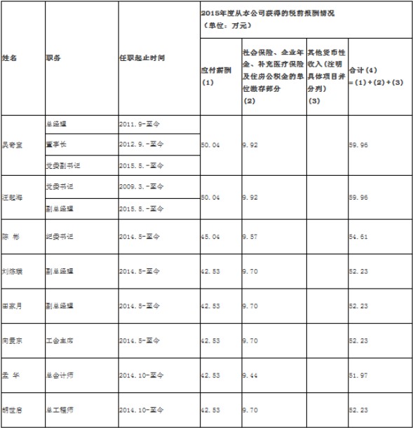
湖北省国资委出资企业掌管人2015年度薪酬情况表


ABPay钱包官方网站 - 安全便捷的数字钱币钱包

备注:上表披露信息为公司掌管人2015年度全数应发税前薪酬和按国度划定由企业缴存各类社会保险等。其中,第(1)项由湖北省国资委鉴定。

版权所有:ABPAY钱包官方网站   Copyright 2020-2021  www.hbsalt.com.cn All Rights Reserved  鄂ICP备19022449号-1
【网站地图】